服务热线:133 6655 6600
发布内容
当前位置: 现代供热网 技术交流 正文

暖气连接方式,不热原因及解决办法

91 2020-11-13

一到冬天,北方家庭的取暖基本都指着暖气了,如果这时暖气出了问题,那可真是要了命。我家暖气片今年就出了问题,开始供暖时,以为是温度还没有上来,想着过几天看看。可是眼瞅着都过去一个月了,结果只有门口的暖气是热乎的,屋里的暖气最多只能达到不冰。

无奈只能找工人来检查,结果工人一眼就看出问题,说我家暖气的连接方式有问题:“这种连接方式,暖气会暖才怪了”。

一、暖气片有哪些连接方式?

1、单管串联

这种方法是最经济和古老的走法,有节省管道降低成本的优点。但由于单管室内采暖系统不能单独调节每个散热器的流量,所有水路都要通过前边的散热器,一旦前边的出现问题就影响了后边的使用,所以不是非常推荐这种连接方法。



2、串联跨跃管

带跨越管单管室内采暖带有专用的阀门,可以单独调节每个散热器的流量。但设计管道很难埋在墙里,出地面到散热器之间必须是明管,会影响装修的整体美观。

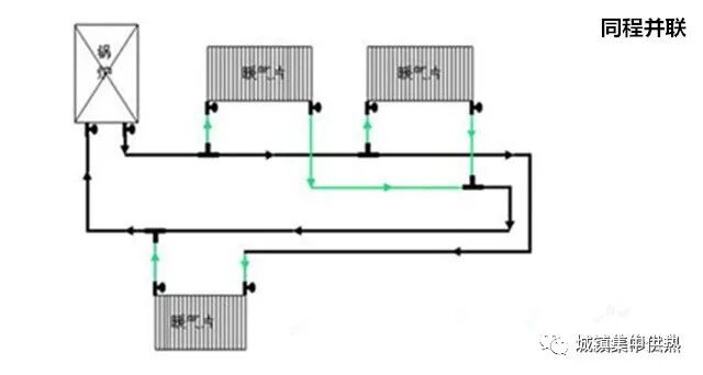
3、同程并联

暖气安装并联法是目前使用最多的安装方法,每个散热器中的水流都经过相同的管道长度,对每个散热器中的水流量水力平衡的调节更加简单。如果散热器可以被安装成一个环路,所用管道的长度和双管异程系统是等长的。



4、异程并联

这种每个散热器上,都需要安装水力平衡阀门,对不同散热器上的水循环进行水力平衡的调节。避免在离水泵较近的散热器水流量大,而较远的散热器水流量小的问题。

5、扇形辐射法

扇形辐射法的特点是装有分水器,往各组散热器都是单独的供回水管,实现了像地暖一样集中独立控制,调节温度方便,散热器入口处的管道可以暗埋。但他安装时由于每组散热器都要单独回路,管道使用量较大,安装成本较高,目前大多数客户还接受不了。



二、家里暖气不热原因,解决办法。


01

供热前用户需做哪些工作?

用户要做的工作主要是:

(1)室内散热器逐一清掏,检查室内采暖系统阀门,手动跑风是否完好,是否处于关闭状态,待供热注水时方可打开。


热线电话
133 6655 6600
热线电话 微信咨询
回到顶部 回到首页