01
智能中的空调系统是指空调机组、新风机组,变风量机组,风机盘管等设备。其控制主要是指温、湿度调节、预定时间表和自动启停控制。
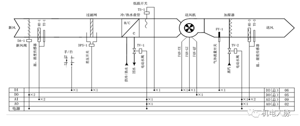
空气处理机采用集中送风的控制方式,通过检测回风的温度、湿度来对电动冷、热水阀和加湿阀进行调节。
空气处理机一般是夏季送冷风,冬季送暖风,春秋季节送新风。并通过检测回风的空气质量来决定是否调节风阀的开度。

温度控制:根据回风温度采样值和程序设定值比较,通过PID计算输出控制冷、热水阀的开度。湿度控制:根据回风湿度调节加湿阀流量开度,控制蒸汽送给量。风阀控制:根据室外温度和回风CO2浓度,调整风阀开度。联锁控制:风机状态和冷/热水电动阀、加湿阀、新风风阀、回风风阀实施联动。参数监测:送风温度、湿度,回风温度、湿度,室内温度,室外温度,手动/自动转换,风机运行状态,电动水阀阀位反馈,加湿阀阀位反馈,过滤网压差开关,风机压差开关,防霜冻保护开关,室内空气质量(CO2)等。报警功能:过滤网压差超限(过滤网堵塞)报警、风机故障报警、防霜冻低温报警、参数越限报警等。新风机组主要是用来给大楼内提供新风。它对房间的温度并不实施控制,新风机是采用定时送风的方式(属于开环控制),通常和末端风机盘管组合来完成大楼的空调控制。


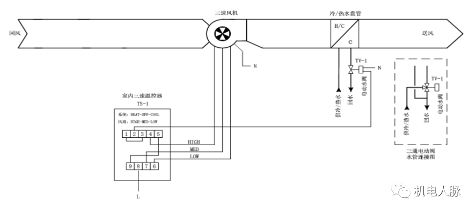
温度控制:根据送风温度采样值和程序设定值比较,通过PID计算输出控制冷、热水阀的开度。湿度控制:根据送风湿度调节加湿阀流量开度,控制蒸汽送给量以此来改善房间的湿度。联锁控制:风机状态和冷、热水电动阀、加湿阀、新风风阀、实施联动。参数监测:送新风温度、送新风湿度、室外温度、手动/自动转换、风机运行状态、过滤网压差开关、风机压差开关、防霜冻保护开关。报警功能:过滤网两端的压差超限(过滤网堵塞)报警,风机故障报警,防霜冻低温报警,参数越限报警等。末端风机盘管用来调整房间的温度。它通常直接由室内恒温器控制。

1)室内恒温器通过对房间的温度检测,控制冷水或热水电动阀的开启和关闭来改善房间温度。同时,设定风机在不同的速度下工作,也可以改善房间的温度。末端风机盘管和新风机组联合使用,不需要由DDC控制器参与对它的控制和调节。1.4 变风量系统(VAV,Variable air volumeSystem)当室内空调负荷改变以及室内空气参数设定值变化时,自动调节空调系统送入房间的送风量,使通过空气送入房间的负荷与房间的实际负荷相匹配,以满足室内人员的舒适要求或工艺生产的要求。同时送风量的自动调节可以最大限度地减少风机的动力,节约运行能耗。简单的说:根据广场温度与设定值进行比较,控制风阀的开大、关小,以保证广场的实际需求的送风量。

02
送排风系统包括各类送排风机,人防、消防专用通风设备不在BAS监控范围之列。BAS一般对送风机、排风机及排烟兼排风机进行控制,自动监测各个送排风机的运行状态、故障报警和手自动开关状态。根据事先设定时间表,定时启停送排风机或者遥控启停。实时监测车库内一氧化碳、二氧化碳浓度,浓度超过设定报警值时开启送排风机


03
给排水是由生活供水(冷水、热水)和污水排放等环节组成。在供水方面主要是实施恒压供水,污水池液位的指示和报警,以及各种供水、排水泵的定时循环工作。恒压供水技术通常是由变频器、软启动器等组成的电气控制系统。污水主要根据积水坑的高、低液位浮球信号来控制排污泵的启动和停止。


04
制冷站的功能是为大楼的空调系统提供冷源,它由制冷机组、冷却水循环泵、冷却塔、冷冻水循环泵、补水泵及电动蝶阀等组成。制冷机组包括压缩机、冷凝器、蒸发器及其他辅助装置,冷冻循环水进入制冷机组后,通过释放热量而达到降低水温的目的。制冷机组工作后吸收了大量的热量,所以,必须由冷却循环水来为其降温。监视冷水机组、冷冻水泵、冷却水泵和冷却塔的运行状态、手/自动状态和故障状态;具体每台冷冻机的内部参数可通过接口及网关联入BAS,如监测油压、冷凝器和蒸发器压力、运行电流等。

根据冷冻水总管上的供回水温度和供水流量,可以计算出大楼的冷/热负荷情况,从而确定需要开启的冷水机组的台数。根据机组的开启命令,实行电动蝶阀、冷冻水泵、冷却塔、冷却水泵之间的连锁。冷水机组的投入或退出运行的过程是按预先编制的控制程序进行的。系统收到开车指令打开冷却水蝶阀,启动冷却水泵;打开冷冻水蝶阀,启动冷冻水泵;收到冷冻泵、冷却泵状态及水流开关信号返回后延时30秒启动冷水机组。系统收到停车指令关闭冷水机组;关闭冷却塔,延时5分种关闭相应的冷冻、冷却水泵;之后延时1分钟关闭相应的冷冻水、冷却水蝶阀。当在系统中有某一设备发生故障时,则系统立即发出报警到终端,同时锁定该设备以防再次启动,并同时自动启动另一个相应的备用设备或一组其他关联设备。当故障设备已维修完成需要重新加入自控行列时,须在BAS终端手动复位相应的锁定逻辑,这样才能使锁定的设备再次进入自控行列。冷却塔的投运是由冷冻机启动时,由控制程序打开相应的冷却塔进水蝶阀确定的。当温度在一定范围内时分别投入相应的风机运行,当主冷却回水温度低于设定低限时,冷却塔的风机按次序停止运行。当风机发生故障时,控制程序将发出报警并且锁定该风机的再次投入。在排除风机故障后,必须在BAS终端手动复位相应的锁定逻辑,这样才能使设备重新投入自动运行。在供、回水总管间设置电动旁通阀。在供、回水总管间设有压差传感器以控制该阀的操作。当供回水管道压差超过设定值时,调整旁通阀,使供回水压差保持恒定。
05

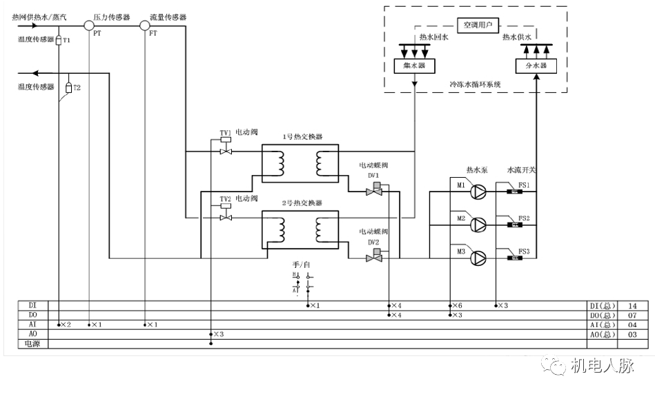
热源系统是为广场内的空调系统提供热源,它由锅炉、热交换器、热水循环泵、等组成。热交换器的一次側流入来自锅炉的热水或蒸汽,二次側的热水系统向用户提供空调机组所需的热源。
将热交换器二次热水出口的检测温度送入DDC与设定值比较,控制热交换器上的一次热水/蒸汽电动调节阀,改变一次热源供给的流量,使二次側热水出口的温度得到调节。DDC完成对冷冻泵的启停控制、运行状态、故障报警信号的管理。自动实现恒压控制、循环倒泵、备用替开等功能。根据负荷启动热交换器工作参数。热水泵停止运行时,自动关闭热交换器一次側的热水/蒸汽电动调节阀。热交换器一次側供给热水(蒸汽)的温度、压力、流量,二次测供水温度、压力等。
06
电梯是大楼内的主要垂直交通工具,它肩负着人员和货物的运输。电梯包括普通客梯、观光梯、货物电梯和自动扶梯等。在BAS中,主要是对普通客梯和自动扶梯实施监视。
监控点位:电梯运行状态、电梯门状态、楼层指示、故障报警、应急报警等。
07

频率控制就是我们楼控给它0~10VDC或者4~20MA的信号,他们根据1~100%的对应关系调整,比如我们楼控给他5VDC变频器就根据25HZ运行。频率反馈就是变频器给楼控的信息,有0~10VDC或者4~20MA,比如变频器给出10vDC代表变频器现在以50HZ在运行。