服务热线:133 6655 6600
发布内容
当前位置: 现代供热网 技术交流 正文

同一小区既有暖气片又有地暖?热力站这样设计才靠谱

50 2026-01-06

如今不少小区里,暖气片供暖和地暖供暖两种方式 “共存” 的情况越来越常见。这种 “混合模式” 的供暖小区,对热力站的设计方案提出了更高的要求。

针对这类混合供暖小区,目前主流的供热系统设计方法主要有三种,不同方法对应不同的用户占比和实际需求:



一、散热器用户为主,少量地暖用户:优先利用散热器回水



如果小区里大部分住户用的是传统散热器,只有少数住户装了地暖,热力站和管网可以直接按照散热器用户的需求来设计。地暖用户的供热,优先用散热器用户的回水来供给。具体的连接方式,会根据实际情况灵活调整:

  1. 若散热器用户的回水,在水量、温度、压力上都能满足地暖用户需求,直接用回水管给地暖系统供水,是最节省成本的方案。

  2. 若回水的水量和温度达标,但压力偏低,就给回水管加装加压泵,加压后再供给地暖用户。

  3. 若地暖用户有一定规模,且散热器总回水量大于地暖回水量、回水温度刚好等于地暖供水温度,可在热源处增设地暖循环水泵,采用四管制的方式,分别为散热器和地暖用户供热。


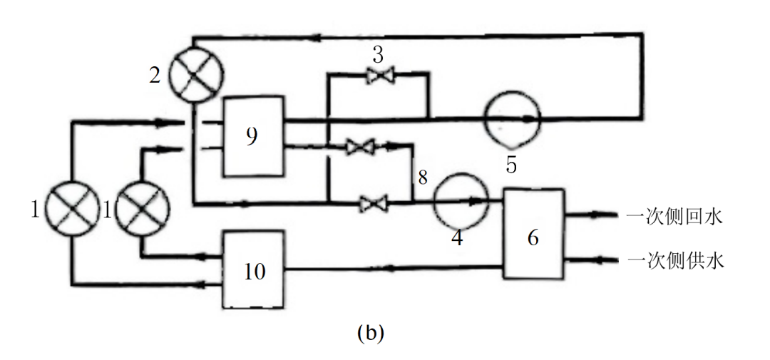
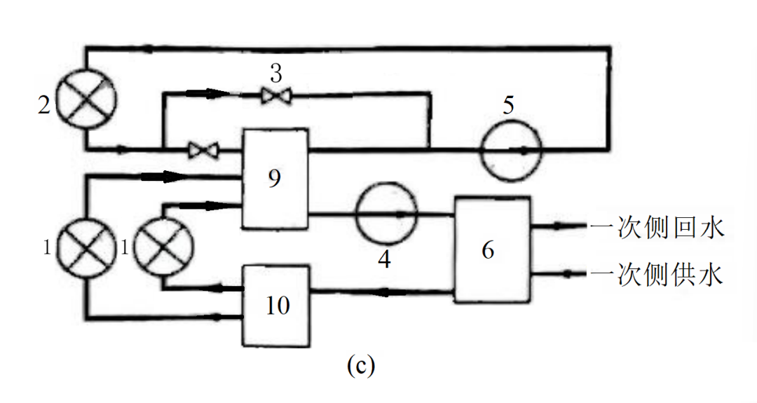
  4. 若地暖用户有一定规模,且散热器回水温度高于地暖供水温度,可把散热器系统的回水和地暖系统的回水混合,再作为地暖的供水。这种混水方式的站内布置,会根据散热器和地暖系统设计流量的相对大小,分为三种不同的情况。


这种设计方案的优点是系统造价和运行费用都比较低,但缺点也很明显 —— 系统的调节和管理比较复杂,而且只能在两种供暖系统的静压相同、且散热器回水温度高于地暖供水温度的前提下使用。



二、散热器用户为主,一定量地暖用户:设换热器 + 集中混水泵



当小区里散热器用户仍占主体,但地暖用户的数量达到一定规模时,就需要在热力站内单独设置一组换热器,再集中配备混水泵,同样采用四管制的方式,分别为两种用户提供符合需求的供热。



三、地暖与散热器用户占比相当:两套独立系统并行



如果小区里地暖用户和散热器用户的数量差不多,热力站就要直接设计两套独立的供热系统,通过四管制分别为两类用户供热。这种方案的优势很突出 —— 两套系统之间互不干扰,形式简单,后续的调节和管理都很方便。不过缺点也不容忽视,系统的造价和运行费用会比较高,而且对热力站的占地面积有要求,有时候可能会因为场地限制而难以实现。



补充方案:地暖入口用混水装置适配参数



除了上述三种核心方案,还有一种补充方式:在以散热器用户为主的供热管网中,如果地暖用户入口的管网压差,足以带动水 — 水喷射泵工作,且喷射泵能提供的扬程可以克服地暖用户的阻力损失,就可以在地暖入口加装水 — 水喷射泵来调节参数。但要注意,水 — 水喷射泵的扬程有限,对管网压差要求高,只适合距离热力站较近的小型地暖用户。一旦喷射泵无法满足需求,换成混水泵连接的方式,通常就能解决问题。

混合供暖小区的热力站设计,核心就是 “因地制宜”。选对方案,既能保证两类用户的供暖效果,又能兼顾成本和后期管理的便利性。

声明:本站文章来源转载仅供参考学习,转载内容合法性不承担保证责任,但将依法配合处理侵权纠纷,转载内容版权归原作者所有,本站已尽力标注来源,若有疏忽请联系更正,如果有侵权请联系我们24小时之内删除13366556600

热线电话
133 6655 6600
热线电话 微信咨询
回到顶部 回到首页