服务热线:133 6655 6600
发布内容
当前位置: 现代供热网 技术交流 正文

多热源联网供热

73 2025-12-05

多热源联网供热系统是指多个热源同时向一个供热系统供热。在多热源中一般供热量最大的热源为主热源,通常由热电厂担当;其他热源称为调峰热源。主热源在整个供热期间均按最大供热量运行。在运行初期和末期,只主热源运行即能满足供热系统用热量需求。随着室外温度的下降和供热需求的增加,将依序投入其他调峰热源运行。为了提高供热系统的可靠性,多热源联网系统多设计为环状管网。


1.多热源环状管网

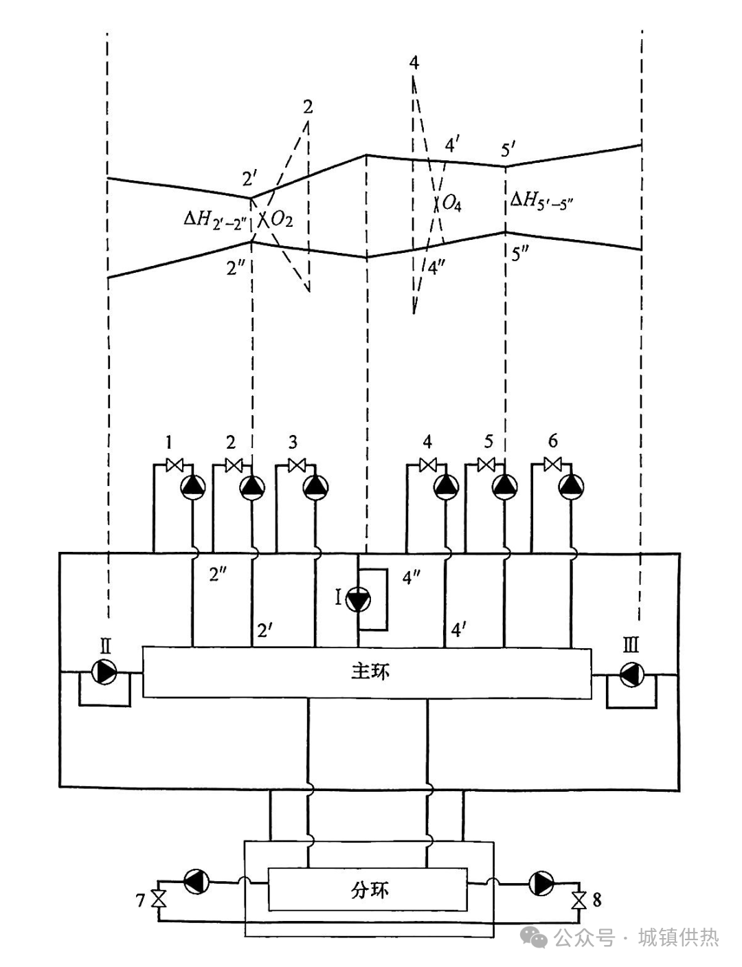
对于大型多热源环状供热系统,除了主干线设置成环状管网,有时重要支线也设计成环状管网。图1为一典型的多热源环状管网示意图。现将多热源环状管网中分布式输配系统的设计方法表述为下:


图1  多热源环网分布式输配供热系统示意图

 I~Ⅲ一热源编号;1~8—热用户编号


(1)热源循环泵的设置

由图1所示,多热源环网供热系统由I、Ⅱ、Ⅲ热源组成,设I为主热源。当供热规模较大时,管网还可以有主环、分环之分。为了提高系统的运行可靠性,环网(特别是主环网)通常采用同管径设置。为方便起见,主环表示出了1~6六个热用户(含热力站),分环表示出了7~8两个热用户(含热力站)。

在初寒期,只I热源启动,系统所有热用户皆由此热源供热。进入中寒期,将有I和Ⅱ两个热源运行,此时主环网分成两个供热区,一个供热区由I热源供热;另一供热区由Ⅱ热源供热。当处严寒期时,三个热源全部启动运行,分别将主环网分成三个供热区,每个热源承担一个供热区供热。每个供热区的分界处称为水力汇交点。不难发现,当两个热源运行时,将有两个水力汇交点;当三个热源启动时,必有三个水力汇交点。图1的水压图是在三个热源同时运行时的情形、并画出了其中两个水力汇交点,分别为2、5热用户(另一水力汇交点未画出)。在2、5热用户之间的供热区由I热源供热,2热用户(2热用户由I、Ⅱ热源共同供热)以左的供热区由Ⅱ热源供热,5热用户(由I、Ⅲ热源共同供热)以右的供热区由Ⅲ热源供热。

从水压图上可以看出,2、5热用户的水力汇交点,其供回水压、力点分别由2'、2′′和5'、5′′表示。由于在热源至主环网的热媒输送中,循环泵是在“推着走”的状态下工作,因此主环网上的水力坡线呈供水压力大于回水压力的状态。进一步考察还能发现,在同一供热区,水力汇交点处供水压力(2′或5′)最低,回水压力(2′或5′)最高,亦即在同一供热区内,水力汇交点处的供、回水资用压头最小。根据这一特点,可以很容易确定各热源循环泵的选择方法,即各热源循环泵的输送功能,应完成该热源内部循环及一级网至主环网的输送功能,并为自身供热区的水力汇交点建立足够的资用压头(如5~10mH₂O)。由于在整个运行期间,随着室外气温的变化,每个热源所承担的供热区域不同(供热面积不同),因此,其循环流量和扬程都不同,一般应根据其最大供热区(即最大热负荷)来确定设计循环流量和设计扬程。当同一热源在不同外温下所承担的供热面积相差过大时,可设计不同型号的循环泵,以适应不同气温下的行;当供热面积相差不大时,也可选用同一循环泵,通过变频调速满足不同负荷下的供热需求。

各热源循环泵的共同功能,是将热媒(或热量)输送至主环网,建立主环网的压力工况(在图1的水压图中由实线表示)。其水力汇交点2、5热用户的资用压头分别为△H₂'-''和△H₅'-'',具体数值应保持在5~10mH₂O。从热源循环泵选择的叙述过程可以看出,多热源环网供热系统的主环网相当于一个蓄水池或蓄热池,各热源循环泵的功能只负责把热媒或热量输送到蓄水池或蓄热池,不再承担末端管网与热用户(主环网以外)的输送功能。


(2)末端循环泵的设置

供热系统末端统指热力站、楼栋和热用户,对多热源环网供热系统,主要指主环网以外的部分。首先讨论热力站中一级网分布式循环泵的选型。应依据一级网循环泵所属热力站的需求进行选型,其循环流量即为该热力站的设计循环流量;扬程为该热力站至主环网之间循环环路各管段压力降之和,当循环环路包含系统的分环环路时(如图1中分环环路相连接的7、8热力站),应选择可能的最大压降为循环环路压降。

在图1中,还画出了主环网至热力站之间的管网水压图(由虚线表示)。其中零压汇交点O₂ 、O₄都分别设计在热力站2、4之前,目的是希望在末端回路上不要形成多余的资用压头,以达到节能的目的。有鉴于此,主环网的压力工况应以满足主环网自身管路压降与水力汇交点的资用压头为己任。热源循环泵扬程选择过高,反而是画蛇添足,有害无益 。

在多热源分布式循环水泵的设计中,热源循环泵与末端循环泵有明确的功能分工。热源循环泵的设计不再考虑系统末端热用户是否有足够资用压头的建立;末端循环泵的设计也不必推敲系统各环路是否压力平衡。总之,在多热源分布式输配系统的循环水泵设计中,能把原来比较复杂的系统工况结构解列为一个比较简单的结构,从而为系统的设计、运行都带来了方便。


2.多热源枝状管网

图2绘出了多热源枝状管网供热系统示意图。图中I、Ⅱ为两个热源。1、2、 3……为若干热用户(含热力站)。对于单热源的枝状供热系统,零压力汇交点设在热源出口处是最节电的,此时不存在无效电能消耗。对于多热源枝状供热系统,如图2所示,存在两个热源时,若依然将零压力汇交点设置在热源出口处,则需要对不同运行工况进行实际分析。首先考虑开始供热的初寒期,只启动I热源(设为主热源),此时1热力站的一级网分布式循环泵扬程最小,而4热力站(系统最末端)的一级网分布式循环扬程最大,显然系统符合分布式输配的最佳设计理念,因而最节电。但当气温逐渐变冷,热负荷增大,需要启动Ⅱ热源时,运行工况将发生变化。特别当各热源的供热能力不同时,一级网的各分布式循环泵的适应能力将存在困难。如图2中,若在某个室外气温下,I、Ⅱ两个热源同时运行,主热源I承担2/3的热负荷,Ⅱ热源承担剩下的1/3热负荷,在这种情况下,热源I分包2/3的供热范围,热源Ⅱ分包其余的1/3供热范围。此时一定会发生离热源Ⅱ近的热用户(如6热用户)必须抽取离热源I远的热水热量。然而,这在现实工程实例中是很难做到的。因为离热源I越远的热用户,其扬程必须越大,转速必须越快,才能抽取越多的热量。但这样配置的结果是适得其反,是事与愿违地大量抢走了热源Ⅱ的热量。因为该热用户的供热半径离热源Ⅱ更近,由于其抽力大,必然搅乱热源Ⅱ的供热范围,达不到预期的供热目标。由上分析,说明在热源出口处设置零压力汇交点对于树枝状的多热源系统是不适宜的。



图2  多热源枝状网分布式输配供热系统示意图 

I,Ⅱ—热源编号;1~6—热用户编号


对于枝状多热源供热系统,合理的设计方法同环状网一样,热源循环泵的扬程仍然应承担热源内部的循环功能以及系统主干线的输配功能,热力站一级网的分布式循环泵则承担一级网(不含系统主干线)的输配功能。为适应不同外温下各热源分片包干供热的灵活性,系统主干线最好设计成同径的。若为旧系统的改造工程,如主干线全部改造为同管径的,工程量大,但此时必须进行系统流量可及性计算,在此基础上对主干线的管径进行局部调整。

与环状管网有类似的情形,各热源所分色的供热区也由水力汇交点分割,只是在枝状管网中,两个热源由一个水力汇交点分割为两个供热区;三个热源由两个水力汇交点分割为三个供热区……枝状管网主干线的压力工况将由各热源循环泵来建立,其基本原则仍然是保持水力汇交点处的供、回水资用压头在5~10mH₂O的范围内。图2也给出了枝状管网的水压图,实线部分为主干线水压图,虚线部分为一级管网水压图,H0为水力汇交点处的资用压头。为消除多余资用压头的产生,主干线后的一级管网上的零压汇交点设计在热力站与主干管线之间,如热用户3、5一级网上的零压汇交点O₃ 、O₅所示。当主干线过长,离热源近端的主干线可能出现多余的资用压头,如热用户1所示。这种不可避免的节流损失是多热源枝状管网所固有的弊端,因此,对于大型供热系统,在条件允许的情况下,应尽量设计成环状管网;对于既有系统的改建工程,应有计划地逐渐将枝状系统改建为环状系统。


热线电话
133 6655 6600
热线电话 微信咨询
回到顶部 回到首页