服务热线:133 6655 6600
发布内容
当前位置: 现代供热网 技术交流 正文

什么是智慧供热?如何来搭建实施?

106 2026-01-02

一、智慧供热的内涵

智慧供热是在供热管网中设置智能感知与调控设备,构建覆盖“热源 热网 热力站 热用户”全链条数据信息采集及远程调控系统,借助数据挖掘、人工智能等技术处理海量数据,对热网进行统筹协调,最终实现热源高效转化、热网高效输配、热力站优化调控、热用户按需供暖的智能化管理及运行调控模式。


其核心体现在“三维架构 双重目标”:

三维架构即由热源、供热管网、热力站、热用户及相关仪器仪表、调控设备组成的供热物理设施层为数据传输提供支撑的供热数据传输层以及利用大数据、机器学习等技术实现智能决策的智慧供热平台

双重目标是兼顾“节能降耗、安全可靠”的行业需求与“按需供热、提升用户舒适度”的民生需求,通过技术赋能推动供热行业从传统经验型向智能精准型转型。


二、智慧供热高效建设技术要点

智慧供热的建设需遵循“统一规划、分步实施、标准协同”的基本原则,涵盖设计、施工、调试、验收四大关键环节,各环节核心重点如下:

(一)设计环节:

设计是智慧供热系统高效运行的前提,需聚焦架构完整性、设备适配性、数据互通性”三大核心。

系统架构设计:需同步建设供热物理设施层、数据传输层和智慧供热平台,确保城镇智慧供热管理系统与企业智慧供热监控系统信息共享、协同联动,统一数据传输标准和通讯协议。

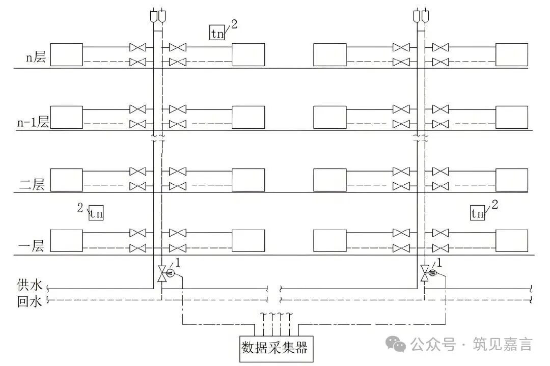
各子系统设计重点:热源侧需具备源网联动调控功能,采集供回水温度、压力、流量等关键参数;热力站需执行远程调控策略,配置循环泵、补水泵等设备的自动控制模块;

管网侧基于GIS系统实现位置信息可视化,设置漏损定位、巡查管理功能;


终端侧按规范安装室温采集器、物联网温度平衡阀,新建建筑需按户配置室温控制器。


安全与可扩展性设计:系统需满足抗震设防要求,平台具备操作权限控制、异常处理机制和升级接口,计算与存储资源兼顾稳定性和冗余性,鼓励监控软件部署于云平台。


(二)施工环节:

施工需严格遵循同步推进、规范安装、质量可控”原则,确保软硬件设施落地效果符合设计要求。

施工准备:施工前需组织施工及系统承包商进行图纸会审,明确工程节点和技术要求;设备材料进场时需全数检查质量证明文件,热工仪表及控制装置安装前必须校验并留存记录。

规范安装:供热管网和终端装置安装需符合现行国家标准,室温采集器应避开热源和遮挡,安装高度宜距地面1.0m1.5m物联网温度平衡阀宜安装在回水管道,前端需设置过滤器,执行器不得下置;仪表电气线路施工需满足绝缘、接地等安全要求。

变更管理:施工中若涉及工程变更,需经原设计单位确认,严格执行相关程序。


(三)调试环节:

调试是衔接建设与运行的关键,需通过系统性测试确保设备、网络、软件协同工作

调试流程:“单项设备调试→本地监控站调试→通信网络调试→监控中心软硬件调试→联网联机调试”的顺序推进,由专业技术人员制定方案并明确目标。

核心测试内容:验证设备自身功能完整性,如室温采集器的测温精度、物联网阀门的调节响应;测试通信网络连通性,确保数据传输稳定;核查软件系统的实时数据分析、故障报警等功能。

记录留存:调试过程需填写完整记录,包括设备外观检查、网络连通性、PLC性能等测试结果,按规范格式归档备查。


(四)验收环节:

验收需在系统试运行(连续投运不少于30)后进行,确保各项指标符合设计和标准要求。

验收重点:主控项目需全数检查设备材料质量、电线电缆合规性,抽检室温采集器、物联网温度平衡阀等核心设备的性能,确保测温偏差、调节精度达标;一般项目需核查配电导体截面、系统可靠性、实时性等指标。

资料要求:验收文件需包含工程合同、竣工图纸、变更签证、设备说明书、测试记录、试运行报告等完整资料,质量控制资料需真实可追溯

不合格处理:验收不合格的项目需责成责任单位限期整改,直至验收合格方可投入使用。


相关施工及验收管理资料的规范整理,可参见工程资料管理必看!从基建到竣工4大要点,覆盖文件归档到图纸折叠全细节!


三、智慧供热运行与维护要点

运行维护是保障系统长期稳定高效的关键,需建立专人负责、定期核查、全程追溯”的管理机制。

制度建设:制定日常运行管理制度和维护制度,明确服务器、数据库、软件系统、网络通信等核心设备的维护责任,建立突发事故应急预案。

运行管理:供热前全面检查服务器、网络、数据库及智能设备运行状态;运行期间定期核查上传数据的准确性,及时处理异常数据;建立用户与权限分级管理制度,规范操作流程。

维护重点:硬件设备定期巡检,软件系统定期进行病毒查杀、安全漏洞排查和备份;数据采用日常增量备份定期异地备份模式,保存时间不少于24个月;所有操作和数据更新需留存日志,确保可追溯

声明:本站文章来源转载仅供参考学习,转载内容合法性不承担保证责任,但将依法配合处理侵权纠纷,转载内容版权归原作者所有,本站已尽力标注来源,若有疏忽请联系更正,如果有侵权请联系我们24小时之内删除13366556600


热线电话
133 6655 6600
热线电话 微信咨询
回到顶部 回到首页