服务热线:133 6655 6600
发布内容
当前位置: 现代供热网 技术交流 正文

比例调节法

153 2025-11-24

比例调节法的调节原理是依据两个用户之间的流量比仅取决于上游用户(按供水流动方向)之后管段的阻抗,而与上游用户和热源之间的阻抗无关。也就是说,对系统上游用户的调节,将会引起该系统下游用户之间的流量成比例的变化。

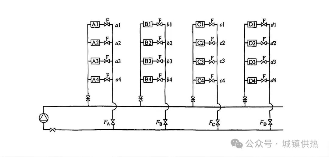
图中的双管闭式热水供热系统,有一条输配干线和4条支线A、B、C、D,每条 支线有4个热用户,用户入口回水管、各支线在主干线分支点回水管上和主干线供水管等都分别安装了平衡阀

供热管网示意图


图中的供热管网初调节可以采用比例调节的方法。比例调节法的调节步骤如下:

1.调节支线的选择

(1)全开系统中所有阀门,包括平衡阀,让循环泵在大流量小扬程的工况下运行。

(2)利用平衡阀和配套的智能仪表,首先测量各支线回水管道上平衡阀前后的压差,并通过智能仪表直接读出通过平衡阀FA、FB、Fc、FD的流量,或者由平衡阀前后压差和管径,根据厂家提供的线算图查出通过的流量。

(3)计算各支线的水力失调度xi

式中 i—支线序号;

n—支线数量,本例中有4条支线,n=4;

Gi—支线实测流量,m³/h;

G′i—支线规定流量,m³/h。规定流量可以是设计流量,也可以是某一平均分配的流量,或调节状态下的调节流量。

(4)对水力失调度按从大到小进行排序,排序结果作为调节的先后顺序。枝状管网未进行初调节时,近端用户的水力失调度大于1,远端用户的水力失调度小于1,且靠近热源的热用户水力失调度最大,所以应从近端支线开始调节。


2.支线内用户间的平衡调节

(1)首先测量被调支线内各用户的流量,并计算各用户的水力失调度。其中水力失调度最小的用户作为参考用户。若支线A为调节支线,且用户3的水力失调度最小,x₃=G/G′用户3作为参考用户。

(2)从调节支线A的末端用户1开始,利用智能仪表,调节平衡阀FA₁,将用户1的水力失调度调节到用户3水力失调度的95%左右,即xA₁=0.95xA

(3)调节用户2的平衡阀,使用户2和用户1的水力失调度相等,xA=xA2。根据水压图分析,用户2的调节会引起用户1水力失调度的增加。因此在调节用户2时,另一组调试人员应继续保持对用户1平衡阀智能仪表的检测但不再调节,并与用户1的调试小组保持联系,得到适时的xA=xA2(可见,用户1的水力失调度不止计算一次),用户2调节完毕。

(4)始终保留用户1平衡阀的智能仪表,始终以用户1的水力失调度作为参考值,按照步骤(3)的方法,依次调整用户3、4。每调好一个用户,用户1的水力失调度都将略有增加。这是因为调节前全部打开了阀门,阀门的调节是在关小中进行的。

(5)支线A调节完毕后,再调节下一条支线。按照各支线水力失调度大小顺序,依次调节其他支线,方法同上。


3.支线间的平衡调节

(1)由于各支线用户的平衡调节,第一次测得支线的水力失调度已发生变化,需进行第二次测量,并再次计算相应的水力失调度,从中选出水力失调度最小的分支作为参考值。

(2)从最末端支线开始调节,即调节平衡阀FD,使支线D的水力失调度调整到参考值的95%左右。假定C支线的水力失调度最小,水力失调度为xc,则xD=0.95xc。

(3)采用和支线内相同的调节方法,按顺序调节Fc、FB、FA平衡阀,使各支线的水力失调度最终等于支线D的水力失调度。


4.全网调节

(1)如果供热系统只有图中所示一条主干线,则调节供水干线的总平衡阀F,(平衡阀F安装在回水总管也一样),使支线D的水力失调度等于1。根据一致性等比失调原理,经过上述调节,供热系统各用户的流量一定会达到规定的流量,全网调节结束。

(2)如果有若干条主干线并联,图中所示为其中一条,则设计中热源设有分集水器,图中主干线上的调节阀F相当于分水器(或集水器)上设置的阀门。在各主干线调节阀调节完毕后,应进行主干线间的平衡调整,调节方法同上。主干线间的平衡调整好后,调节水泵出口阀门使任何用户的水力失调度等于1。

本文节选自《供热工程(第五版)》

声明:本站文章来源转载仅供参考学习,转载内容合法性不承担保证责任,但将依法配合处理侵权纠纷,转载内容版权归原作者所有,本站已尽力标注来源,若有疏忽请联系更正,如果有侵权请联系我们24小时之内删除13366556600

热线电话
133 6655 6600
热线电话 微信咨询
回到顶部 回到首页