服务热线:133 6655 6600
发布内容
当前位置: 现代供热网 技术交流 正文

分时、分区供暖系统改造

147 2025-11-27

1.系统基础知识

分时、分区供热系统是基于用能需求侧管理理论的应用,适用于不同供暖需求、不同用热规律的建筑物。


2.分时、分区供热系统的优点

自动分时、分区供热系统具备按需供热、防冻保护、全自动调节、手动调节、多时段、故障保护和可通信等优点。


3.分时、分区供热系统设计原理

通过可编程控制器、传感器和相应的执行机构,自动控制不同供暖需求、不同用热规律建筑物的供热量。


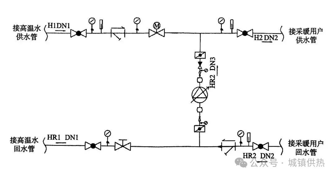
4.分时分区供热系统改造系统图

分时分区供热系统改造系统图如图1所示。


图1  分时分区供热系统改造系统图


5.分时、分区供热系统案例分析

某商业区办公楼锅炉房规划供暖面积21万m²,2019—2020年度实际供暖9.4万m²。系统为板式换热器间供系统,分为4个换热站。现热源提供供暖热量和宾馆生活热水用热。


1)该系统存在的主要问题

该系统存在的主要问题如下:板式换热器偏小;一次网水泵扬程选取偏高,运行时实际阻力偏小,水泵曲线偏移,扬程转化为流量,导致超流的问题,严重时会烧坏电动机;已经供暖的用户室内温度普遍在25℃以上,高出国家规定办公环境温度,浪费热能。室内温度每升高1℃,北京地区就多耗 5.5%的热能,现高出国家规定标准5℃,多耗能27.5%;未供暖的用户,现在为低温防冻状态,采用主管道蝶阀关小的方式降低流量,效果较差;系统能耗指标较高,实际运行耗热量和耗电量对比与《供热系统节能改造技术规范》(GB/ T 50893—2013)对比数值偏高,原因是部分办公楼未入住,调控手段不及时。


2)改造方案

改造方案如下:加大板换的面积;更改循环水泵,更换合适的循环水泵,这样,既能解决超流的问题,也可以节约电能;改为分时采暖系统。


3)分时供暖系统图

分时供暖系统图如图2所示。

图2  分时供暖系统图


4)分时供暖系统三段调节方式   

分时供暖系统三段调节方式如下。

①停止供暖。夜晚室外温度较高的时间段,可以停止供暖。

②减少循环流量供暖。室外温度较低的时间段,调节二次网电动阀,用户流量减小,二次网频率降低,旁通水泵不开启,供水温度不变,二次网温度控制一次网电动流量阀,一次网流量减小,调节锅炉负荷。

③减少主管网循环流量并和回水混合后供暖,室外温度很低的时间段,如果只减小用户循环流量,末端会出现冻的情况,此时需要大流量低温运行,二次网流量减小,旁通水泵开启,保证大流量低温运行。

④对于未入住的办公楼,日间采用第二种调控手段,调节二次网电动阀,降低锅炉负荷和水泵频率。


5)效果

①节电。更换水泵后耗电量下降,节约电量如下:

(11+3.5+7.5)×24×120kW·h=63360kW·h 

②节热。通过分时供暖自动调节和调整运行方式,每平方米耗气量至少可下降2m³,整个采暖季节约耗气量188000m³


6)解决问题

①更换水泵后解决超流现象,提高水泵安全性,不会出现烧电动机的危险。

板式换热机组换热效率提高,二次网温度升高,流量可以适当调小,节约能耗。

声明:本站文章来源转载仅供参考学习,转载内容合法性不承担保证责任,但将依法配合处理侵权纠纷,转载内容版权归原作者所有,本站已尽力标注来源,若有疏忽请联系更正,如果有侵权请联系我们24小时之内删除13366556600

热线电话
133 6655 6600
热线电话 微信咨询
回到顶部 回到首页