服务热线:133 6655 6600
发布内容
当前位置: 现代供热网 技术交流 正文

地暖、散热器混供小区供热方案选择

187 2025-11-06

同一建筑小区既有散热器供暖系统又有地板辐射供暖系统的情况也越来越多,这就对小区热力站的设计提出了更高的要求。目前这种混合小区的供热系统有三种设计方法。

(1)对于散热器用户为主要用户,有少量地暖用户的供暖小区,热源及管网按照散热器用户设计,地暖用户采用散热器用户的回水供给;当散热器用户回水不能满足要求时,在地暖用户人口采用水—水喷射泵;当水—水喷射泵不能满足使用要求时,采用混水泵的连接方法。

(2)当散热器用户为主,有一定量的地暖用户的供热小区,在站内设置一组换热器和集中设置混水泵四管制分别供给两种用户。

(3)当地暖用户和散热器用户相当,站内设置两套独立的供热系统、四管制分别供给各种用户。


1.直接采用散热器用户的回水作为地暖用户的供水

(1)当地暖用户周边有散热器用户的回水管且回水量、温度和压力均能满足地暖用户的要求时,采用回水管供地暖系统的连接方式最为节省。

(2)当地暖用户周边有散热器用户回水支干线,散热器回水量和温度基本能够满足地暖用户的要求但是压力较低时,通过回水加压泵加压供给地暖用户最好。

(3)当地暖用户具有一定的规模,且散热器用户总回水量大于地暖用户回水量,回水温度等于地暖用户供水温度时,在热源处增加地暖循环水泵,四管制分别供给散热器和地暖用户。站内布置如图1所示。


图片


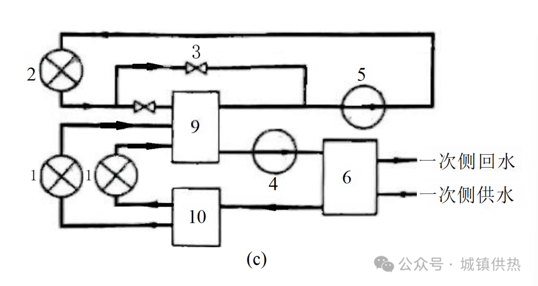
(4)当地暖用户具有一定的规模,且散热器用户回水温度高于地暖用户供水温度时,将散热器供暖系统的回水与地暖系统的回水相混合作为地暖系统的供水。按照散热器用户的总回水量和地暖用户回水量的相对大小,站内布置见图2(a);散热器供暖系统设计流量稍大于地板辐射供暖系统流量,站内布置见图2(b);散热器供暖系统设计流量远大于地板辐射供暖系统流量,站内布置见图2(c)所示。


图片
图片
图片

图 2   混水方式采暖系统站内布置三种情况

1—散热器供暖热用户;2—地板辐射供暖热用户;3—旁通管;4—散热器供暖热用户循环水泵;5—地板辐射供暖热 循环水泵;6—换热器;7—补水管;8—散热器供暖系统回水旁通管;9—集水器;10—分水器


这种供暖系统,调节管理比较复杂,只能在两种供暖系统静压相同时使用,且散热器供暖系统回水温度高于地暖系统的供水温度。但系统造价与运行费用相对较低。


2.地暖用户入口通过混水来获得所需要的供热参数

在以散热器用户为主要用户的供热管网系统中,当地暖用户人口管网作用压差足以启动水—水喷射泵工作,且水—水喷射泵提供的扬程能够克服地暖用户阻力损失时采用的连接方式。由于喷射泵提供的扬程小,需要的管网作用压差大,只适用于近端小型地暖用户。当水—水喷射泵不能满足地暖用户的要求时,改为混水泵连接方式总是适宜的。


3.当地暖用户具有一定规模,散热器用户系统的回水各参数均不能满足地暖用户使用要求时,可在换热站内设置独立的换热系统。这种方式系统之间互不干扰、形式简单, 有利于调节管理,但系统造价与运行费用高,有时因占地原因实现较困难。

声明:本站文章来源转载仅供参考学习,转载内容合法性不承担保证责任,但将依法配合处理侵权纠纷,转载内容版权归原作者所有,本站已尽力标注来源,若有疏忽请联系更正,如果有侵权请联系我们24小时之内删除13366556600

热线电话
133 6655 6600
热线电话 微信咨询
回到顶部 回到首页