服务热线:133 6655 6600
发布内容
当前位置: 现代供热网 供热白皮书 正文

《热量表》2021年10月1日起实施 | GB_T32224-2020

137 2021-08-10

B_T32224-2020《热量表》

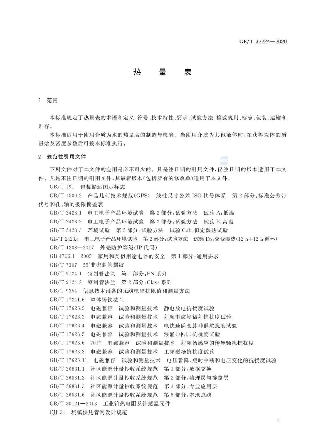
国家标准《GB/T 32224-2020 热量表》自 2021 年 10 月 1 日起实施,代替原国家标准GB/T 32224-2015《热量表》。本标准规定了热量表的术语和定义、符号、技术特性、要求、试验方法、检验规则、标志、包装、运输和贮存。


热量表标准(GB/T 32224-2020)适用于使用介质为水的热量表的制造与检验。当使用介质为其他液体时,在获得液体的质量焓及密度参数后可按本标准执行。















热线电话
133 6655 6600
热线电话 微信咨询
回到顶部 回到首页