服务热线:133 6655 6600
发布内容
当前位置: 现代供热网 技术交流 正文

真空热水锅炉与锅炉设计应用

79 2021-03-20

真空与沸点:

真空状态:比正常大气压低的状态。

锅炉分类:

承压锅炉,锅炉内部水汽压力大于正常大气压;

常压锅炉,锅炉内部水汽压力等于正常大气压;

真空锅炉,锅炉内部水汽压力小于正常大气压;真空锅炉本体负压,但接管承压(原理决定)。

真空锅炉结构:

真空热水锅炉炉体分上下两部分,其中下半部分结构类似于三回程湿背式锅壳蒸汽锅炉,即炉胆和烟道组成的受热面;而上半部分为真空室(负压蒸汽室),其空间内装设有管式汽-水热交换器,用来加热流过换热器中的循环水。


工作原理:

压力变化:-760~-240mmHg压力范围内工作。

相变过程:热媒水→蒸发→负压蒸汽→凝结→水。

热导过程:燃烧→辐射、对流、沸腾→热媒水→凝结换热→采暖、热水、其他。

传导系数:凝结换热10000~30000Kcal/m3h℃。

普通锅炉换热1000~3000Kcal/m3h℃。

为什么会有不凝性气体产生?

热态下,不凝性气体的产生;热媒水里产生氢气(化学反应):

H2O=H++OH-

Fe=Fe2++2e-

2e-+2H+=H2

Fe2++2(OH-=Fe(OH)2

不凝性气体导致换热效率降低,通常锅炉运行1000小时后,反应停止。

同水接触的钢铁的组织不均匀,有离子化倾向高的区域和不高的两个区域。

在离子化倾向高的区域Fe原子留下两个电子(2e)变成铁离子(Fe2+)溶解到水中。

留下的电子移动到阳极周围,形成阴极。

Fe→Fe2++ Ze-------- (2)

阴极部的电子同水中的氢阴离子结合,产生氢气或水。

2e-+2H+ = H2--------(3)

2e-+2H++1/2 O2→H2O------ (4)

在阳极产生的铁离子同氢氧负离子结合产生氢氧化铁:

Fe2++2OH-→Fe(OH)2-------(5)

在阳极产生的铁离子同氢氧负离子结合产生氢氧化铁,氢氧化铁在钢材表面产生一种保护膜。

Fe2++2OH-→Fe(OH)2-------(5)

“V”型锅炉外观:

水管式锅炉,烟气在管外面;

“N”型火口组装体:

“N”型炉体正面:

“N”型炉体后面:

锅炉房要求:

615mm:热交换器法兰接口;2259.6mm:换热管长度;234:换热管数量;2013-1-30:制造日期。

热交换器:

温差10度:热交换器采用2回程安装,A1;B1进水,A2;B2出水。

温差20度:热交换器采用4回程安装,水的流向顺序:B2→B1→A1→A2。

锅炉房要求:

平面布置:根据GB50016-2014《建筑设计防火规范》(2018版)要求:

5.4.12  燃油或燃气锅炉、油浸变压器、充有可燃油的高压电容器和多油开关等,宜设置在建筑外的专用房间内;确需贴邻民用建筑布置时,应采用防火墙与所贴邻的建筑分隔,且不应贴邻人员密集场所,该专用房间的耐火等级不应低于二级;确需布置在民用建筑内时,不应布置在人员密集场所的上一层、下一层或贴邻,并应符合下列规定:

1 燃油或燃气锅炉房、变压器室应设置在首层或地下一层的靠外墙部位,但常(负)压燃油或燃气锅炉可设置在地下二层或屋顶上。设置在屋顶上的常(负)压燃气锅炉,距离通向屋面的安全出口不应小于6m。

采用相对密度(与空气密度的比值)不小于0.75的可燃气体为燃料的锅炉,不得设置在地下或半地下。

2 锅炉房、变压器室的疏散门均应直通室外或安全出口。

3 锅炉房、变压器室等与其他部位之间应采用耐火极限不低于2.00h的防火隔墙和1.50h的不燃性楼板分隔。在隔墙和楼板上不应开设洞口,确需在隔墙上设置门、窗时,应采用甲级防火门、窗。

4 锅炉房内设置储油间时,其总储存量不应大于1m3,且储油间应采用耐火极限不低于3.00h的防火隔墙与锅炉间分隔;确需在防火隔墙上设置门时,应采用甲级防火门。

5 变压器室之间、变压器室与配电室之间,应设置耐火极限不低于2.00h的防火隔墙。

6 油浸变压器、多油开关室、高压电容器室,应设置防止油品流散的设施。油浸变压器下面应设置能储存变压器全部油量的事故储油设施。

7 应设置火灾报警装置。

8 应设置与锅炉、变压器、电容器和多油开关等的容量及建筑规模相适应的灭火设施,当建筑内其他部位设置自动喷水灭火系统时,应设置自动喷水灭火系统。

9 锅炉的容量应符合现行国家标准《锅炉房设计规范》GB 50041的规定。油浸变压器的总容量不应大于1260kV·A,单台容量不应大于630kV·A。

10 燃气锅炉房应设置爆炸泄压设施。燃油或燃气锅炉房应设置独立的通风系统,并应符合本规范第9章的规定。本资料由暖通南社整理编辑。

土建方面:

1.耐火等级,根据GB50016-2014《建筑设计防火规范》(2018版)要求:

民用建筑与燃油、燃气或燃煤锅炉房的防火间距应符合本规范第3.4.1条有关丁类厂房的规定,但与单台蒸汽锅炉的蒸发量不大于4t/h或单台热水锅炉的额定热功率不大于2.8MW的燃煤锅炉房的防火间距,可根据锅炉房的耐火等级按本规范第5.2.2条有关民用建筑的规定确定。

表5.2.2 民用建筑之间的防火间距(m)

锅炉房可视为丁类厂房。

泄爆面积:根据《锅炉房设计规范》(GB50041-2020)中要求:

15.1.2  锅炉房的外墙、楼地面或屋面应有相应的防爆措施,并应有相当于锅炉间占地面积10%的泄压面积,泄压方向不得朝向人员聚集的场所、房间和人行通道,泄压处也不得与这些地方相邻。地下锅炉房采用竖井泄爆方式时,竖井的净横断面积应满足泄压面积的要求。

电气要求:根据《锅炉房设计规范》(GB50041-2020)中要求:

15.2.2  电动机、启动控制设备、灯具和导线型式的选择,应与锅炉房各个不同的建筑物和构筑物的环境分类相适应;燃油、燃气锅炉房的锅炉间、燃气调压间、燃油泵房、煤粉制备间、碎煤机间和运煤走廊等有爆炸危险场所的等级划分,应符合现行国家标准《爆炸危险环境电力装置设计规范》GB 50058的有关规定。

15.2.3  单台蒸汽锅炉额定蒸发量大于或等于6t/h或单台热水锅炉额定热功率大于或等于4.2MW的锅炉房,宜设置低压配电室;当有6kV或10kV高压用电设备时,尚宜设置高压配电室。

15.2.4  锅炉房的配电方式宜采用放射式;当有数台锅炉机组时,宜按锅炉机组为单元分组配电。

15.2.16  燃油锅炉房贮存重油和轻柴油的金属油罐,当其顶板厚度大于或等于4mm时,可不装设接闪器,但应接地,接地点不应少于2处;当油罐装有呼吸阀和放散管时,其防雷设施应符合现行国家标准《石油库设计规范》GB 50074的有关规定;覆土在0.50m以上的地下油罐,当有通气管引出地面时,在通气管处应做局部防雷处理。

15.2.17  气体和液体燃料管道应有静电接地装置;当其管道为金属材料,且与防雷或电气系统接地保护线相连时,可不设静电接地装置。

15.2.18  锅炉房应设置通信设施。本资料由暖通南社整理编辑。

供暖通风:根据《锅炉房设计规范》(GB50041-2020)中要求:

15.3.5  设置集中供暖的锅炉房,各生产房间生产时间的冬季室内计算温度宜符合表15.3.5的规定;在非生产时间的冬季室内计算温度宜为5℃。

表15.3.5  各生产房间生产时间的冬季室内计算温度(℃)

15.3.7  设在其他建筑物内的燃油、燃气锅炉房的锅炉间,应设置独立的送排风系统,其通风装置应防爆,通风量必须符合下列规定:

1  锅炉房设置在首层时,对采用燃油作燃料的,其正常换气次数每小时不应少于3次,事故换气次数每小时不应少于6次;对采用燃气作燃料的,其正常换气次数每小时不应少于6次,事故换气次数每小时不应少于12次;

2  锅炉房设置在半地下或半地下室时,其正常换气次数每小时不应少于6次,事故换气次数每小时不应少于12次;

3  锅炉房设置在地下或地下室时,其换气次数每小时不应少于12次;

4  送入锅炉房的新风总量必须大于锅炉房每小时3次的换气量;

5  送入控制室的新风量应按最大班操作人员计算。

15.3.8 燃气调压间等有爆炸危险的房间,应有每小时不少于6次的换气量;当自然通风不能满足要求时,应设置机械通风装置,并应设每小时换气不少于12次的事故通风装置;通风装置应防爆。

GB50016-2014《建筑设计防火规范》(2018版)的要求是:

9.3.16  燃油或燃气锅炉房应设置自然通风或机械通风设施。燃气锅炉房应选用防爆型的事故排风机。当采取机械通风时,机械通风设施应设置导除静电的接地装置,通风量应符合下列规定:

1  燃油锅炉房的正常通风量应按换气次数不少于3次/h确定,事故排风量应按换气次数不少于6次/h确定;

2  燃气锅炉房的正常通风量应按换气次数不少于6次/h确定,事故排风量应按换气次数不少于12次/h确定。

给水排水:根据《锅炉房设计规范》(GB50041-2020)中要求:

15.4.1 锅炉房的给水宜采用1根进水管。当中断给水造成停炉会引起生产上的重大损失时,应采用2根从室外环网的不同管段或不同水源分别接入的进水管;当采用1根进水管时,应设置为排除故障期间用水的水箱或水池;其总容量应包括原水箱、软化或除盐水箱、除氧水箱和中间水箱等的容量,并不应小于2h锅炉房的计算用水量。

15.4.5  锅炉房冷却用水量大于或等于8m3/h时,应循环使用。

燃气管道:燃气管道系统一般由燃气公司或其制定设计单位负责。设计人员一般设计此方面内容或只进行燃起管道规划。

应注意的是,燃气管道应作防静电接地,故应事先做好接地所需要的条件。

燃气管道上(如母管的末端) 应设放散管和吹扫口。放散管应引至室外,其排出口应高出锅炉房屋脊2米,故应考虑防雷措施。

消防设施:根据《锅炉房设计规范》(GB50041-2020)中要求:

17.0.5  燃油及燃气的非独立锅炉房的灭火系统,当建筑物内设有防灾中心时,应由防灾中心集中监控。本资料由暖通南社整理编辑。

17.0.6  非独立锅炉房和单台蒸汽锅炉额定蒸发量大于或等于10t/h,或总额定蒸发量大于或等于40t/h及单台热水锅炉额定热功率大于或等于7MW,或总额定热功率大于或等于28MW的独立锅炉房,应设置火灾探测器和自动报警装置;火灾探测器的选择及其设置的位置、火灾自动报警系统的设计和消防控制设备及其功能,应符合现行国家标准《火灾自动报警系统设计规范》GB 50116的有关规定。

17.0.7  消防集中控制盘宜设在仪表控制室内。

管道布置和敷设:根据《锅炉房设计规范》(GB50041-2020)中要求:

18.3.8  热力管道可与重油管、润滑油管、压力小于或等于1.6MPa(表压)的压缩空气管、给水管敷设在同一管沟内;给水管敷设在热力管沟内时,应单排布置或安装在热力管道下方。

18.3.9  热力管道严禁与输送易挥发、易爆、有毒、有腐蚀性介质的管道和输送易燃液体、可燃气体、惰性气体的管道敷设在同一地沟内。

18.3.10  通行地沟和半通行地沟应设人孔;通行地沟的人孔间距不宜大于200m,装有蒸汽管道时,不宜大于100m;半通行地沟的人孔间距不宜大于100m,装有蒸汽管道时,不宜大于60m;人孔口高出地面不应小于0.15m。

18.3.11  蒸汽管道的直线段,当蒸汽与凝结水流向相同时,应每隔400m~500m设置启动疏水;当蒸汽与凝结水流向相反时,应每隔200m~300m设置启动疏水;在蒸汽管道的低点和垂直升高之前,应设置经常疏水装置及启动疏水装置。

18.3.12  直埋敷设热水管道的布置和敷设应符合现行行业标准《城镇供热直埋热水管道技术规程》CJJ/T81的有关规定;直埋敷设蒸汽管道的布置和敷设应符合现行行业标准《城镇供热直埋蒸汽管道技术规程》CJJ/T104的有关规定。

环境保护:根据《锅炉房设计规范》(GB50041-2020)中要求:

16.2.4 锅炉房风机、水泵、燃油燃烧器、燃气燃烧器和煤破碎、制粉、筛选装置等设备,应选用低噪声产品,并应采取降噪和减振措施。

16.2.5 锅炉房磨煤机宜布置在隔声室内,隔声室通风设施应按防爆要求设置。

16.2.6 锅炉鼓风机吸风口、设备隔声室和隔声罩进风口宜设置消声器。

16.2.7 额定出口压力为大于或等于1.27MPa(表压)的蒸汽锅炉本体启动排汽管上,应设置消声器;锅炉本体和减温减压装置的安全阀放汽管上,宜设置消声器。

16.2.10 非独立锅炉房的墙、楼板、隔声门窗的隔声量不应小于35dB(A)。

16.3.2  锅炉房排放的各类废水应按水质和水量分类处理,合理回收,重复利用。

16.5.1  锅炉房区域场地应绿化;区域锅炉房绿地率应满足环境规划要求,非区域锅炉房绿化面积应在总体设计时统一规划。

锅炉相关设施配套要求:

1.锅炉前部要留有热交换器、燃烧器维修空间;后部要预留烟管清理空间;侧面要留有控制器操作及维修空间;上面根据锅炉型号不同预留空间至少高于排烟口1.2~2米。

2.锅炉房内要保持清洁,避免杂物吸入燃烧器,导致设备故障或损坏。

3.锅炉房内使用防潮灯。

水泵:

1.循环水泵:扬程、流量要根据采暖面积、楼层高度、系统阻力、热水水箱大小来选择;选择过大会烧水泵,过小系统循环慢,达不到采暖热水效果。

2.数量至少一用一备。

3.吸入管道直径不得小于水泵入口直径,水泵出口管道直径不得小于水泵的出口直径。

4.水泵入口应安装闸阀或球阀,出口应安装止回阀、闸阀或截止阀。

5.水泵安装安装个厂家要求来做,不能有明显偏斜。

烟囱:

1.烟囱直径不能小于锅炉排烟口直径。

2.每台锅炉烟道要安装烟道调节门(最好是手动的),防爆膜。

3.多台锅炉共用一个烟囱时,共用烟囱截面积应大于各锅炉烟道截面积之和。

4.烟囱或烟道在中途不得有收缩现象。

5.烟囱末端要避开风压带,同时采用防止雨水进入和逆风的结构。

6.烟囱弯头不易多,不能向下弯曲。

7.烟囱最好做保温。

油箱:

1.锅炉房内的日用油箱不能大于1立方。

2.油箱出油口位置要高于燃烧器油泵1000cm,出油管距油箱底部大于100cm,采用油罐往油箱供油方法时,油箱必须设回油管。

3.油箱顶部应设呼吸管,呼吸管应伸到室外安全地点。

4.油箱应有可靠的接地措施。

5.燃烧器前应安装过滤器,回油管不得设阀门。

锅炉房设计步骤:

新建锅炉房:

1.热负荷资料:

总装机容量、机组选型、热力系统;

全厂各生产车间的蒸汽和热水的负荷:小时最大热负荷、小时平均热负荷、蒸汽和热水参数、生产班次和热负荷特点(如使用情况、预热时间等);

生活热负荷:浴室、开水炉、炊事用的小时热负荷和使用时间;

采暖热负荷:介质参数、敷设方式、采暖期最大热负荷、平均热负荷和采暖天数;

通风热负荷:小时最大热负荷,使用情况;

蒸汽喷射制冷:小时最大热负荷及其使用时间和使用情况;

余热利用:最大和平均小时产热量,蒸汽和热水参数(锻锤废汽、工业炉烟气余热、连续和定期排污余热等);

邻厂协作供热关系。包括热源输送距离、热负荷、介质参数、价格、回水要求等;

回水量:凝水回收量,热水采暖漏水率;

热负荷曲线。

2.煤质资料:

运煤方式、燃烧设备类型。

产地、矿井名称,价格,运输距离及运输工具(火车、汽车、轮船);

煤矿年产量和供应情况;

煤的元素分析结果:Car,Har,Oar,Sar,Nar,Aar,War;

煤的工业分析结果:水分,灰分,挥发分,固定碳;

煤的低位发热量;本手册由暖通南社整理编辑。

煤的粘结性及燃烧时的结焦情况;

灰的变形温度、软化温度和流动温度(即t1、t2、t3);

煤的可磨系数(烧煤粉时用);煤的粒度。

3.燃料油资料:

燃料油的产地,价格,运输距离及运输工具(火车,汽车或轮船);

燃料油的供应情况:供应的可靠性及有无中断情况,油的品质是否稳定等;

燃料油的元素分析:Car,Har,Oar,Sar,Nar,Aar,War;

燃料油的性质指标:黏度、比重、比热、热焓、凝固点、闪点、导热系数、发热量、硫分、灰分、机械杂质和水分。

4.水质资料:

悬浮物含量;溶解固形物含量;硬度、总碱度;溶解氧;游离二氧化碳;PH值。

气象资料:

海拔高度;室外计算温度、冬季采暖温度、冬季通风温度、夏季通风温度;采暖期室外平均温度、采暖天数;主导风向及频率,冬季、夏季;大气压力,冬季、夏季;最大冻土深度。

5.地质资料:

地质情况(地下室、管道地沟及地下烟道):湿陷性黄土等级、地下水位、耐力等;

地震等级(高屋结构及锅炉钢架防震之用):地震裂度在7级以上时,对较大容量锅炉房应考虑防震。

总平面布置图、地形图:锅炉房位置和全厂供热系统布置。

6.设备、材料资料:

锅炉机组资料:进行扩大初步设计时,只需锅炉的主要技术参数、型号、规格外形图及价格资料;进行施工图设计时,应取得锅炉安装(设备基础、平台扶梯、仪表阀门、风烟接管、操作位置等)图纸;

辅助设备资料:包括风机、水泵、各种标准设备和非标准设备的图纸、技术参数和价格;

材料资料:主要包括当地生产的保温材料和管材等。

7.其它有关资料 :厂区交通情况,供电及供水情况,卫生要求等。


改建、扩建锅炉房:

原锅炉房内库存设备的详细规格、型号、数量、制造厂、使用年限、主要尺寸、运行使用情况和存在的问题等;

原锅炉房的施工图,包括工艺布置图、系统图、区域布置图等,并核实有关尺寸:

锅炉与主要附属设备和建筑物相互间的主要尺寸;

主要管道如蒸汽主管、给水管、供回水管、补水管和上水管的直径及位置;

锅炉房主要管道(热力出入口)的地沟断面及标高;

给水箱、凝结水箱、软化水箱、除氧水箱、生水箱的位置、容积。

原锅炉房的建筑和结构资料:

锅炉房的建筑平面图及立面图,核实外形尺寸、标高、门窗位置等;

锅炉房结构图纸,核实构筑物及设备基础有关尺寸 ;

烟囱的结构、高度、上口内径、烟道与烟囱接口处的开口尺寸、掏灰方式等、烟道的结构及断面等;

运煤除灰系统的施工图、设备规格、使用情况、煤场及渣场的位置、容量等;

控制仪表系统的型号规格、使用情况等;

原锅炉房的运行记录、存在的问题、事故分析等;

原锅炉房的人员组成、技术经济定额等。

热负荷的确定:

最大计算热负荷:根据生产、生活、采暖、通风需要的热负荷计算出锅炉房最大热负荷,以此作为确定锅炉房规模、总装机容量依据。

计算方法:

(1)表格法

(2)公式法

Qjmax=K0(K1Q1+K2Q2+K3Q3+K4Q4)+K5Q5   t/h

Qjmax—最大计算热负荷,t/h;

Q1—采暖最大热负荷,t/h;

Q2—通风最大热负荷,t/h;

Q3—生产最大热负荷,t/h;

Q4—生活最大热负荷,t/h;

Q5—锅炉房自用热负荷(除氧、蒸汽给水泵、锅炉房采暖),t/h。

除氧用热:

大气热力式除氧用热负荷:可通过热力计算;

采用蒸汽喷射真空除氧用热负荷:喷射器耗汽量可取5~8kg/吨(水);

蒸汽给水泵用热负荷:可通过查取说明书获得;

锅炉房采暖用热:按面积热指标法估取,锅炉房每蒸吨装机容量占用建筑面积为50~80m2/蒸吨,采暖面积热指标为80~120W/m2

K0—管网漏损和热损失系数,按表1选取;

表1

管道种类

架  空

地  沟

蒸汽管道

1.1~1.15

1.08~1.12

热水管道

1.07~1.1

1.05~1.08

K1—采暖热负荷同时使用系数,取1.0;

K2—通风热负荷同时使用系数,取0.9~1.0;

K3—生产热负荷同时使用系数,按表2选取,或取0.7~1.0;

表2(此表用于生产用热车间在5个以上)

生产最大热负荷Q3与生产平均热负荷Q3pj关系

K3

Q3=Q3pj

1.0

Q3=2Q3pj

0.8

Q3=3Q3pj

0.6

Q3=4Q3pj

0.5

K4—生活热负荷同时使用系数,取0.5,若生产和生活用热时间错开则K4=0;

K5—自用热负荷同时使用系数,取0.8~1.0。

余热利用:

煤气发生炉水套发生的蒸汽量见表3。但若煤气专业设计人员提交的热负荷内已扣除此项蒸汽量,则不考虑;

表3 煤气发生炉水套发生的蒸汽

煤气发生炉直径   mm    

Ф1000

Ф1500

Ф1500

产生蒸汽量       t/h

0.2~0.3

Ф3000

Ф3000

蒸汽压力         MPa

0.5~0.7

0.3

0.3

蒸汽温度         ℃

饱  和

0.3~0.5

0.3~0.5

锻锤废气利用量,一般可按照锻锤用新汽量的百分比计算,锻锤用汽量见表4;

表4 锻锤废气

序号

名 称

锻锤落下部分重量(吨)

载荷系数

用汽系数

压力MPa

管径

用汽量(kg/h)

额定

平均

1

2

3

4

5

6

7

8

9

10

自由锻锤

自由锻锤

自由锻锤

自由锻锤

自由锻锤

模锻锤

模锻锤

模锻锤

模锻锤

模锻锤

0.5

1

2

3

5

1

2

3

5

10

0.8

0.8

0.8

0.8

0.8

0.8

0.8

0.8

0.8

0.8

0.75

0.75

0.75

0.75

0.75

0.75

0.75

0.75

0.75

0.75

6~8

6~8

6~8

6~8

6~8

6~8

6~8

6~8

6~8

6~8

暂缺

63.5

95

108

127

75.5

102

127

146

219

1000

1530

2200

2670

3500

1620

2330

2830

3750

5500

600

920

1320

1600

2100

970

1400

1700

2250

3300


工业炉:若排烟温度为900℃左右,则每5000~6000Nm3/h的烟气≈1吨蒸汽;

工厂利用余热的最大计算热负荷:

 Q=K0(K1Q1+K2Q2+K3Q3+K4Q4)+K5Q5-q1-q2-q3 t/h

q1—煤气发生炉水套产汽量,t/h;

q2—锻锤废气利用量,t/h;

q3—余热锅炉产汽量,t/h。

平均热负荷:

Qpj=K0(Q1pj+Q2pj+Q3pj+Q4pj)  t/h

采暖(通风)平均热负荷 :Q1pj=фQ1    t/h

Q1pj—采暖平均热负荷,t/h;

ф—采暖系数,取0.5~0.8或按下公式计算。

ф=(tn-tpj)/(tn-tw

ф—采暖(或通风)系数;

tn—采暖(通风)室内计算温度,℃;

tpj—采暖期(通风)室外平均温度,℃;

tw—采暖期采暖(或通风)室外计算温度,℃。

生产平均热负荷:各车间的平均热负荷相加而得。

生活平均热负荷:浴室、开水炉、厨房等用热;

Q4pj=1/8Q4    t/h

对有季节性负荷的锅炉房,其最大计算热负荷和平均热负荷应按采暖季和非采暖季分别计算得出。

平均负荷表明热负荷的均衡性,设备选择时应考虑这一因素。

年热负荷:全年燃料耗量的依据,也是技术经济比较的一个根据。

D0=K0(D1+D2+D3+D4) t/a

D1、D2、D3、D4—分别为采暖、通风、生产、生活全年热负荷,t/a;

Q5/Qmax—自用热系数。

D1=8n1[SQ1pj+(3-S)Q1f]   t/a

D2=8n2SQ2pj   t/a

D3=8n3SQ3pj   t/a

D4=8n3SQ4pj   t/a

n1、n2、n3—分别为采暖、通风天数和全年工作天数;

S—每昼夜工作班次;

Q1f—非工作班时保温用热负荷,t/h;tn=5℃。

供热介质、参数和供热方式的确定:

供热方式与介质种类:在满足要求的前提下,进行供热介质归一;必须供两种介质的锅炉房,锅炉设备最好能为一种;系统中不好处理的小负荷单独处理。

只有采暖热负荷的供热系统:热水锅炉。

没有采暖热负荷的系统。

当全部热负荷或经处理后都可以用热水供应时,应采用热水做介质。

当有一部分热负荷必须用蒸汽时,应采用蒸汽供热。

生产采暖热负荷都有的供热系统。

当经过采取一定措施后,全部生产用热可以统一为热水时,则采用高温热水为供热介质。

生产用汽量小,采暖热负荷较大的供热系统:汽水两用锅炉(可同时供汽和供水)。冬季以高温水为主,间供蒸汽;夏季根据生产用汽负荷大小,运行一台或几台锅炉,全部供汽,其余锅炉做检修或备用。

生产用汽量大,采暖热负荷较小的供热系统:选用蒸汽锅炉,以蒸汽系统为主。采暖宜用蒸汽喷射器或表面换热器转换成热水供热。

生产用汽和采暖用热量都很大的供热系统:供汽系统为主,锅炉房宜全部采用蒸汽锅炉,采暖用淋水盘换热器转换高温热水供暖。

优点:

锅炉房只有一种锅炉,设备备用性强,安全性高。

系统简单,运行管理方便,节约投资。

高温热水温度便于调节,供水温度稳定。

介质参数

原则:锅炉房及其供热系统工作参数的确定,除必须保证用户要求外,还应力求经济和安全。大型供热系统要通过技术经济分析确定最佳工作介质参数,一般可参考下列各条进行确定:

锅炉房供热介质参数选定,一般以全厂最高用户参数为依据,以满足整个系统各用户的要求为原则。

工厂企业的生产用汽,大多数是饱和蒸汽。锅炉的工作压力,比最高用户的需用压力,加上热网压力损失,高0.1~0.2MPa即可。选择锅炉时,锅炉额定工作压力应尽量靠近系统工作压力,两者相差不要太大。

热水供应系统,除有特殊要求的工业厂房和高标准的民用采暖外,都应采用高温热水采暖。

集中供热热水锅炉房:供热半径2~4公里,供水温度>110~130℃;供热半径4~7公里,供水温度>130~150℃;供热半径7~10公里,供水温度>150~170℃。

生产过程中有散发棉毛、木屑等物时,热水温度<110℃。

对于散发可燃性粉尘、纤维的车间,高温水<130℃;如用饱和蒸汽<0.05MPa。

中温辐射板采暖,水温不应低于110℃,宜用130~150℃。如用蒸汽,压力不宜低于0.2MPa,宜用0.4MPa。

暖风机用高温水,温度最好用150/70℃。

锅炉台数和容量的选择:

原则:在选用锅炉单台容量和锅炉台数时应考虑对负荷变化和意外事故的适应性,建设和运行的经济性。

负荷变化适应性强,能根据用户热负荷的昼夜、冬夏季节的变化,灵活地调节和调整运行锅炉的台数及工作容量,使锅炉经常处于经济负荷下运行。锅炉的经常负荷状态不应低于锅炉额定负荷的50~60%。

保证供热的安全可靠性。锅炉房内锅炉台数的本身应体现出有较高的备用率,有利于节省人力、物力和基建投资。

采暖锅炉房原则上不设备用,设备维修可安排在非采暖季节,但在锅炉台数的选择上要考虑有60~75%的备用率。

生产性锅炉房,当锅炉检修或事故停运一台,锅炉房热负荷可以通过调度尚能满足生产要求时,可不设置备用炉;当锅炉房减少供热会引起生产事故或重大损失时,应设一台备用炉。

生产和采暖共用锅炉房,当非采暖期有一台锅炉停运,则不考虑备用锅炉。

锅炉房应尽量选用同型号、同容量、同一生产厂的锅炉设备。锅炉相同有利于培训和提高操作人员的运行水平;方便管理,人员及备件的互换性强;锅炉房布置上较整齐,有利于实现联合上煤除渣,降低造价。如条件不允许,至少不能多于两种。

燃气真空热水锅炉工艺流程示意图:

真空锅炉安装:

1.燃烧器固定是否牢靠;

2.燃气管线连接是否有泄漏;

3.烟囱是否安装防爆膜、烟道调风门、有冷凝水排放口,是否符合规范;

4.水泵方向安装是否正确、是否有单向阀;

5.系统水是否已注满;

6.系统进锅炉的水是否经过过滤。

真空锅炉调试:

检查锅炉及系统:

1.确认现场安装是否具备调试条件:检查烟道、系统注水情况、泵循环情况、电控柜锅炉供电确认(测量电压)。

2.开启供回水阀门,运行循环泵。

3.对燃烧器进行配线(控制线、动力线)。

4.确认燃气压力。

5.检查锅炉的真空表、水位、炉体温感、低水位保险丝、压力开关。

6.通电检查锅炉的设置参数。

7.检查漏电保护器、电源切断器、接地情况。

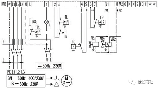
燃烧器配线:

1.电源供电部分

1)继电器1;2配线在工厂完毕;

2)继电器3;4需要在现场与燃烧器控制部分配线;

3)继电器5需要在现场与燃烧器控制部分配线。

R3-启停;R4-大小火控制。

燃烧器现场接线端子排:

R5燃烧指示继电器接线说明:

L:接燃烧器一段火燃烧指示端子或燃气阀(燃油电磁阀)一段阀火线;

N:与燃烧器控制零线相接;

67:锅炉控制板接线端子;

82:锅炉控制板接线端子。

燃烧器调试:

1.确认燃气压力开关设定;

2.确认燃烧器风门开启情况;

3.确认燃烧器电机运转方向、调整设定电流值;

4.锅炉试运行;

5.调整燃气流量,在保证锅炉能稳定燃烧的前提下,调整到额定流量;

6.调整燃烧器的供风量;

7.对小火(一段火)进行燃气量和风量的调整;

8.对烟气进行测试;

9.对大火(二段火)进行燃气量和风量的调整;

10.对烟气进行测试。

系统运行调试:

1.对锅炉热媒水温升进行确认;

2.确认锅炉出水温度、回水温度、泵前泵后压力;

3.确认燃烧器火焰有无异常(抖动、)、运行有无异常噪音。

注意事项:

1.先开启烟道调风门、冷凝水阀门、系统供回水阀门、水泵,待运行稳定无故障,再运行锅炉。

2.调试过程中,由2人进行,有异常问题,切断锅炉电源。

3.对控制器及燃烧器部分的配线进行连接确认。

4.调试中热媒水温度设定不能高于70度。

烟气数据:

1.一段火燃气量一般在额定燃气量的30-40%。

2.燃油锅炉要进行黑度测试。

测试项目

一段火

二段火

O

3~6

3~6

CO

100PPM以下

100

CO2

8~12

8~12

安全保护装置:

名称

安装位置

设定值

说明

低水位温度保险

炉体

100℃

热媒水缺水时断路,更换后复位。

过热温度保险

炉体

100℃

热媒水96℃时断路,更换后复位。

排烟温感

炉体

200-350℃

排烟温度过高时动作,复位按钮复位。

压力开关

炉体

-15cmHg

94℃

减压蒸汽压力上升时启动,复位按钮复位。

溶解栓

炉体

108℃

热媒水98℃时溶解,更换。

耐压阀

炉体

0.7±0.3Kg/cm2

减压蒸汽压力异常升高自动复位

溶解栓:

10~40万大卡通用,50~360万大卡通用,合金材料压紧密封圈,温度高熔化。

温度保险丝;压力开关:

低水位、过热温度保险丝,断路,更换后复位。

炉体内压力高,跳开,压力低后自动复位。

抽气装置:


故障维修:

真空度不良的判定:

1.热媒水温度与空气箱温度的温差应在10℃以内;

2.热媒水温度对应的真空表数值应与说明书中的真空度对照表数值接近;

3.热媒水与出水温度的差值变化。

注:以上不能作为真空度判定的基准,只能作为参考;如果热媒水升温过快,而锅炉出水温度不上升慢,循环水泵匹配合适,通常真空度不良。

真空度不良的处理:

1.锅炉运行初期真空度下降

锅炉运行初期,炉内的热媒水与炉体会产生化学反应释放出氢气等不凝气体,初期的1000小时内进行1~2次抽真空处理,之后就不在发生。

2.运行中真空度明显下降

A.检查溶解栓是否有溶解、水位观视孔玻璃是否有裂纹,真空表、压力开关、真空泵热交换器等连接处是否有松动。

B.检查溶解栓、耐压阀、真空表、压力开关、两通阀等处所有密封圈。

C.进行氮气打压或氦检。

抽真空作业步骤:

1)拆下外壳(“V”型拆锅炉上盖;“N”拆锅炉后部上板);

2)真空泵加真空油,超过下限液位刻度,真空泵运行,检查液位(必须超过下限);

3)拆下真空抽气阀铜帽(抽气口、手动截止阀);

4)真空泵软管与抽气口连接,开启真空泵;

5)手动截止阀全开;

6)抽气结束,关闭手动截止阀;

7)停止真空泵;

8)抽气结束,将真空泵内的油排尽。

注:步骤:开泵→开阀→关阀→关泵。

3.锅炉出水温度低

1)锅炉出水温度低且热媒水温度上升慢,锅炉连续大火燃烧

A.锅炉出力不足

B.锅炉效率低(排烟温度高等)

C.选型问题,单位面积热负荷选择太小

2)锅炉出水温度低,锅炉频繁启停

A.真空度差导致换热不良

B.热交换器堵导致传热面积下降

C.热交换器结垢


4.炉体故障

1)热交换器堵塞:

现象:供水升温快,热媒水温度下降慢,热量不能被带走。

原因:系统没有过滤器,换热管堵塞;水垢多。

2)热交换器漏水:

现象:出水温度低,热媒水升温快降温慢,

原因:系统经常补水,氧腐蚀;水质差;

热交换器有水垢,酸洗浓度大,洗漏。

3)两通阀关闭不严:

现象:真空度不好,定期抽真空。

原因:杂质进入阀体,阀关闭不严。

4)水位观察口裂纹

现象:真空度不好,玻璃有裂纹。

原因:固定螺丝用力大不均匀。

5)Err03-压力异常

真空度差、热交换器换热不良导致炉内压力升高热交换器漏水导致系统压力进入炉内;压力开关本身故障;控制器或线路故障。

6)Err04-检查温度保险

真空度不良、热交换器换热不良导致热媒水异常;升温;锅炉运行中循环泵停止,或循环不良。

7.Err05-检查温度保险

热媒水温感、取暖及热水出口温感、空气箱温感、排烟温感故障;控制器设定异常;温感线路故障。

8.Err06-排烟温度异常

燃烧器入力调整过大;炉体积碳导致传热面积下降;烟道阻力大导致排烟不畅。

9.Err07-显示、操作部位异常

控制柜操作面板本身故障。

10.Err08-设定开关异常

控制柜设定开关部位异常。

燃烧器故障:

1.燃烧器不启动:电机热保护动作;燃气低压开关不闭合;程控器损坏;线路连接错误;到锅炉设定温度(不属于故障)。

2.燃烧器启动后故障:出现模拟火焰;空气压力开关调整不适当;压力开关压力点管道阻塞;燃烧室背压过高;火焰检测电路故障。

3.燃烧器运行程序结束,火焰不出现:

电磁阀只允许很少燃气通过;电磁阀不能打开;燃气压力过低;点火电极调整不正确;电极由于绝缘破坏而接地;高压电缆损坏;点火变压器损坏;阀或点火变压器接线错误;控制盒损坏;管道内有空气。

4.火焰出现后,马上锁定

电磁阀只允许很少燃气通过;电离探针调整不正确;探针的电接线故障;探针接地;燃烧器接地不够;相线与零线接反;控制盒损坏。

5.燃烧器重复启动,不出现故障

主燃气压力接近于最低燃气压力开关所限定的数值。阀门开启跟随着不断的压力降低,从而引起压力开关自身的暂时开启,阀门立即关闭,燃烧器停机。压力又升高,压力开关再次关闭,重复点火周期。该过程没有休止地进行。

6.燃烧器运行中故障

探针或电离电缆接地;空气压力开关故障。

燃气阀杂质堵塞:

用途:采暖、生活热水、游泳池(3回路)

常用配件清单(易损件):

名称

规格

适用炉型

备注

熔解栓

Φ120

10~30万


Φ160

40~360万


低水位过热温度保险丝

96℃

10~360万

3000小时更换

采暖、热水、循环水出水温度感知器


10~360万

安装时容易损坏



热线电话
133 6655 6600
热线电话 微信咨询
回到顶部 回到首页