服务热线:133 6655 6600
发布内容
当前位置: 现代供热网 技术交流 正文

泵扬程与流量有几种关系?如何根据管网系统计算扬程?

99 2018-04-03

泵的扬程计算是选择泵的重要依据,泵扬程与流量的关系可以参照下面这张图。

图片


泵扬程由管网系统的安装和操作条件决定,计算前应首先绘制流程草图,平、立面布置图,计算出管线的长度、管径及管件型式和数量。

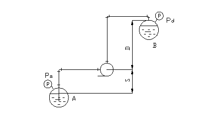
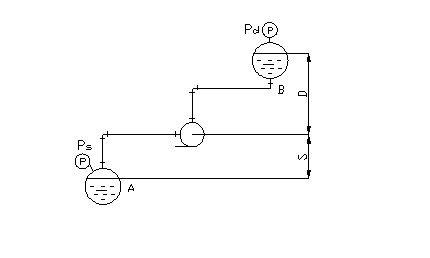
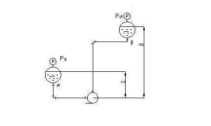
一般管网如下图所示,(更多图例可参考化工工艺设计手册)。

D——排出几何高度,m;

取值:高于泵入口中心线:为正;低于泵入口中心线:为负;

S——吸入几何高度,m;

取值:高于泵入口中心线:为负;低于泵入口中心线:为正;

Pd、Ps——容器内操作压力,m液柱(表压);

取值:以表压正负为准

Hf1——直管阻力损失,m液柱;

Hf2——管件阻力损失,m液柱;

Hf3——进出口局部阻力损失,m液柱;

h ——泵的扬程,m液柱


图片

h=D+S+hf1+hf2+h3+Pd-Ps

图片


h= D-S+hf1+hf2+hf3+Pd-Ps

图片

h= D+S+hf1+hf2+hf3+Pd-Ps

计算式中各参数符号的意义

图片


某些工业管材的ε约值见下表

图片

管网局部阻力计算 图片

常用管件和阀件底局部阻力系数ζ图片

热线电话
133 6655 6600
热线电话 微信咨询
回到顶部 回到首页