文稿
文稿
店铺
搜索
服务热线:133 6655 6600
发布内容
登录
当前位置:
现代供热网
供热政策
正文
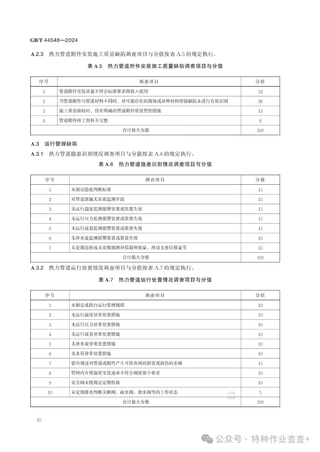
国家标准《城市热力管道安全风险评估方法》(GB/T 44548-2024)2025年4月1日正式实施
186
2025-05-20
国家标准《城市热力管道安全风险评估方法》(GB/T 44548-2024)2025年4月1日正式实施
结
热力管道设计方法
供热管道施工流
程
上一篇:
河北正定:新建项目优先使用空气源、地热源等清洁能源供热
下一篇:
《民法典》中供热与用热领域的法律规范
热线电话
133 6655 6600
热线电话
微信咨询
回到顶部
回到首页